Ningbo Richge Technology Co., Ltd.
Ningbo Richge Technology Co., Ltd.
Producten
VBI-24 Vaste type isolatiecilinder MV vacuümstroomonderbreker
  • VBI-24 Vaste type isolatiecilinder MV vacuümstroomonderbrekerVBI-24 Vaste type isolatiecilinder MV vacuümstroomonderbreker
  • VBI-24 Vaste type isolatiecilinder MV vacuümstroomonderbrekerVBI-24 Vaste type isolatiecilinder MV vacuümstroomonderbreker

VBI-24 Vaste type isolatiecilinder MV vacuümstroomonderbreker

Model:VBI-24
De vbi -serie indoor vacuümstroomonderbreker is een nieuwe generatie intelligente vacuümstroomonderbrekers. De levende componenten, inclusief de krachtige vacuümonderbreker en bovenste en onderste uitgaande terminals, zijn ingekapseld in epoxyhars na terminals. Dit ontwerp helpt verontreiniging op het oppervlak van de vacuümonderbreker te voorkomen, waardoor de isolatie -eigenschappen, mechanische stabiliteit worden verbeterd en de operationele levensduur wordt verlengd. Het bedieningsmechanisme van VBI-24-zijkant met zijkant vacuümcircuitbeker wordt gebruikt veer tot opslagergie, die op twee manieren kan worden bediend, handmatig of elektrisch. De kenmerken zijn in overeenstemming met GB1984-89, JB3855-96<10kv Indoor High Voltage Vacuum Circuit Breaker General Technical Specifications>, Relevante bepalingen van IEC56 -standaard. VBI-24 binnenspanning vacuümstroomonderbreker is driefasige AC 50Hz, beoordeelde spanning van 24KV indoor apparaat, voor industriële en mijnbouwbedrijven, energiecentrales en substanties als elektrische apparatuurcontrole en beschermingsdoeleinden, en voor frequente werking van de plaats.

VBI-24 Vaste type isolatiecilinder MV vacuümstroomonderbreker

   VBI-24-serie indoor hoogspanningsvacuümstroomonderbreker met ingebedde polen is drie zin A.C.50 Hz indoor stroomverdelingsapparatuur met de nominale spanning van 24 kV. Het wordt gebruikt voor het beschermen en regelen van de elektrische apparatuur op het gebied van de industrie en mijnbouwbedrijven, stroomvoorzieningen en vervanging.

   Het belangrijkste geleidende circuit van dit type vacuümstroomonderbreker met veermechanisme is ingebedde pool, die de betrouwbaarheid van isolatie, mechanische en brekende prestaties aanzienlijk kan verbeteren en echt de vrije onderhoud en een langere mechanische en elektrische levensduur kan realiseren. De mogelijkheid bereikt de graad van M-E2-C2.

   Het product wordt gebruikt voor vele soorten SwitchGear, zoals Kyn28-24 (GZS1) en kan een vaste installatie zijn.

  VBI-24 binnenspanning vacuümstroomonderbreker is driefasige AC 50Hz, beoordeelde spanning van 24KV indoor apparaat, voor industriële en mijnbouwbedrijven, energiecentrales en substanties als elektrische apparatuurcontrole en beschermingsdoeleinden, en voor frequente werking van de plaats.







Basisinformatie.


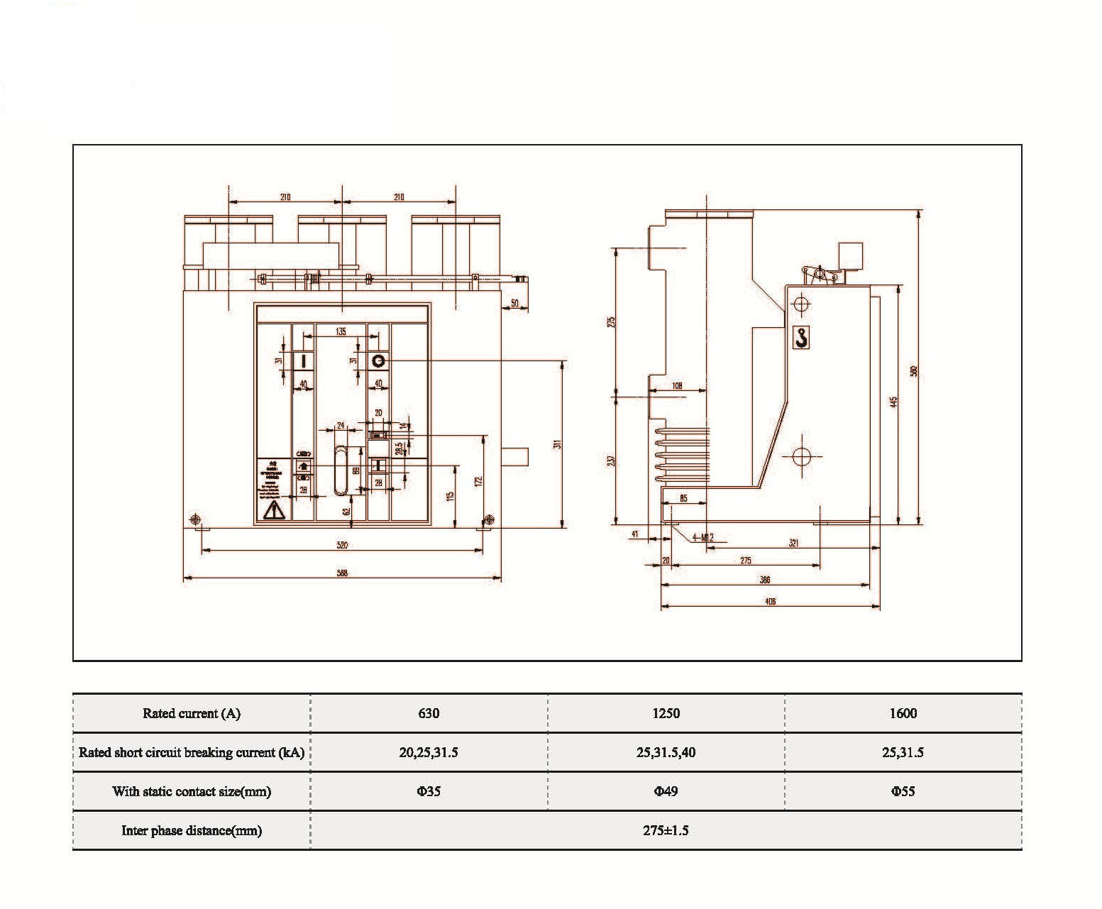
Technische parameters




Technische tekeningen

FAQ

Vraag: Kan ik prijzen van uw producten hebben?

A: Welkom. Aarzel niet om ons hier onderzoek te sturen. We zullen u binnen 24 uur antwoorden.


Vraag: Kan ik een monster krijgen voor de bulkorder?

A: Ja, we verwelkomen de voorbeeldvolgorde om kwaliteit te testen en te controleren. Gemixed monsters zijn acceptabel.


Vraag: Kunnen we onze logo/ bedrijfsnaam op producten afdrukken?

A: Ja, natuurlijk accepteren we OEM en hebben u dan nodig om merkautorisatie aan ons te bieden


Vraag: Accepteert u productaanpassing?

A: Ja, natuurlijk, geef specifieke tekeningen of parameters, we zullen u na de evaluatie citeren


Vraag: Wat is de doorlooptijd?

A: De doorlooptijd hangt af van de bestelde hoeveelheden, meestal binnen 7-20 dagen na ontvangst van de betaling.


Vraag: Wat zijn uw handelsvoorwaarden?

A: We accepteren EXW, FOB, CIF, FCA, enz.


Vraag: Wat is uw betaalmethode?  

A: We accepteren T/T, Western Union, PayPal, onherroepelijke L/C bij zicht, enz


Vraag: Inspecteert u de afgewerkte producten?

A: Ja, elke stap van productie en afgewerkte producten zal door de QC -afdeling uitkomen voordat ze worden verzonden. En we zullen goedereninspectierapporten voor uw referentie verstrekken vóór verzending


Vraag: Hoe de kwaliteitsproblemen na de verkoop op te lossen?

A: Maak foto's van de kwaliteitsproblemen en stuur ons voor onze controle en bevestiging, we zullen binnen 3 dagen een tevreden oplossing voor u maken.




Fabriek


Certificaat




Hottags: VBI-24 Vaste type isolatiecilinder MV Vacuümstroomonderbreker, China, fabrikant, leverancier, fabriek, lage prijs, kwaliteit, laatste verkoop, geavanceerd
Stuur onderzoek
Contact informatie
Voor vragen over laagspanningsschakelapparatuur, hoogspanningsisolatoren, hoogspanningsaardingsschakelaar of prijslijst kunt u uw e-mailadres achterlaten en wij nemen binnen 24 uur contact met u op.
X
We gebruiken cookies om u een betere browse-ervaring te bieden, het siteverkeer te analyseren en de inhoud te personaliseren. Door deze site te gebruiken, gaat u akkoord met ons gebruik van cookies. Privacybeleid
Afwijzen Accepteren